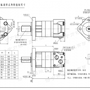
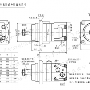
BM5系列马达

——

BM5(2K)系列马达

地址:山东省济宁市任城区聚源电商小镇4号楼21号 

电话/微信:135-0638-8161(张经理)
电话/微信:135-8376-7126(李经理)
电话:0537-2635166
传真:0537-2635199   2310286


er

信息详情

bm5(2k)系列马达


BM5(2K)系列马达 2023-5-29 本文被阅读 2286次
上一条:BM4系列马达下一条:FRE系列车轮液压马达

同类产品